Предыдущая тема :: Следующая тема |
Автор |
Сообщение |
Pova
Модератор
Зарегистрирован: 10.07.2007
Сообщения: 1798 Благодарности: 15
|
|
Вернуться к началу |
|
 |
Deimos
Site Admin
 Зарегистрирован: 10.07.2007
Сообщения: 6198 Благодарности: 79
|
Добавлено: Чт Апр 21, 2011 22:48 Заголовок сообщения: |
|
|
Я сегодня поднял наконец обмен с компасом. Запустил его в режиме периодического измерения ориентации с частотой 20Гц. Точность порядка 1 градуса он даёт.
Движемся дальше.
_________________ Алексей
Профи-диванщик с опытом, есть диплом А4 в рамке.
|
|
Вернуться к началу |
|
 |
Pova
Модератор
Зарегистрирован: 10.07.2007
Сообщения: 1798 Благодарности: 15
|
Добавлено: Пт Апр 22, 2011 00:07 Заголовок сообщения: |
|
|
Лёха, отлично!
В следующий раз можно пробовать сделать сферическую панораму силами YY в тепличных условиях! Правда, следующий раз - это недели эдак через 3... ну да ладно.
Дабы наш сферический конь становился более похожим на Изделие ( ) осталось раздобыть (купить то есть ):
-фотоаппарат Canon A480 (76$-85$ за новый). Тяжелее иксуса грамм на 15, но превосходит в богатстве настроек, качестве картинки, отсутствию проблем с организацией питания. Короче, надо брать!
-попробуем к нему нацепить широкоугольный конвертер (0.5х). Стоит недорого за китайскую поделку (15$ в Москве, Лексей добудет). Это значительно упростит нам жизнь, ибо у фотика на коротком конце поле небольшое... А 30 кадров на полусферу - это, гм...
-литиевые батареи. Разные. Для фотика и всего остального. 20$
-карбон для конструирования несущих элементов 15$
А ещё плату надо будет заказывать, комплектуху-рассыпуху и проч.
Так что расслабляться рано!
_________________ Владимир
[img:f45f24a24c]http://baf.belastro.net/static/going_baf.jpg[/img:f45f24a24c]
[img:b2f591ea1d]http://baf.belastro.net/static/going_baf.jpg[/img:b2f591ea1d]
|
|
Вернуться к началу |
|
 |
Lupus
RadioAdmin
 Зарегистрирован: 10.07.2007
Сообщения: 4337 Благодарности: 100
Откуда: Minsk, Belarus
|
Добавлено: Пт Апр 22, 2011 00:20 Заголовок сообщения: |
|
|
Радует, что компас заработал. Удивляет, что так долго сопротивлялся...
На счёт платы -- может и сами справимся. Почти вся комплектуха есть в наличие (брался двойной запас, либо использовался в тестовом варианте в виде извлекаемых элементов).
_________________
_________________________________________________
"Вит, cкоро Геминиды!" (с) Pova
"Познавший себя -- собственный палач." (с) Ф. Ницше
"Просто я живу на улице Ленина
И меня зарубает время от вре-ме-ни..." (с) Ф. Чистяков
|
|
Вернуться к началу |
|
 |
Deimos
Site Admin
 Зарегистрирован: 10.07.2007
Сообщения: 6198 Благодарности: 79
|
Добавлено: Пт Апр 22, 2011 06:57 Заголовок сообщения: |
|
|
Сопротивлялся потому что мануал можно было толковать по-разному. Информационная модель обмена по I2C, описанная в мануале и реализованная на ардуино, несколько отличаются. Плюс нигде ни слова о том, что компас при включении питания оказывается в спящем режиме и не реагирует на внешние воздействия.
_________________ Алексей
Профи-диванщик с опытом, есть диплом А4 в рамке.
|
|
Вернуться к началу |
|
 |
Pova
Модератор
Зарегистрирован: 10.07.2007
Сообщения: 1798 Благодарности: 15
|
|
Вернуться к началу |
|
 |
Sergey B
ЛА
 Зарегистрирован: 24.02.2011
Сообщения: 24 Благодарности: 0
|
Добавлено: Пн Май 16, 2011 08:43 Заголовок сообщения: |
|
|
Проект остановлен? На какое время? Какая причина?
|
|
Вернуться к началу |
|
 |
Deimos
Site Admin
 Зарегистрирован: 10.07.2007
Сообщения: 6198 Благодарности: 79
|
Добавлено: Пн Май 16, 2011 08:45 Заголовок сообщения: |
|
|
Проект цветёт и пахнет. Правда не так шустро, как хотелось бы ввиду ряда причин. Просто пока нет результатов для публикования.
_________________ Алексей
Профи-диванщик с опытом, есть диплом А4 в рамке.
|
|
Вернуться к началу |
|
 |
Pova
Модератор
Зарегистрирован: 10.07.2007
Сообщения: 1798 Благодарности: 15
|
|
Вернуться к началу |
|
 |
Deimos
Site Admin
 Зарегистрирован: 10.07.2007
Сообщения: 6198 Благодарности: 79
|
Добавлено: Сб Май 21, 2011 21:56 Заголовок сообщения: |
|
|
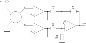
Завёл датчик давления, получил приемлемый динамический диапазон измерений.
Lupus, для тебя схема включения в аттаче.
Описание: |
Схема электрическая принципиальная. Питание для датчика давления и операционного усилителя общее, +12В. |
|
Размер файла: |
11.02 KB |
Просмотрено: |
7080 раз(а) |
Схема электрическая принципиальная. Питание для датчика давления и операционного усилителя общее, +12В. »»»
|
_________________ Алексей
Профи-диванщик с опытом, есть диплом А4 в рамке.
|
|
Вернуться к началу |
|
 |
MarsianskiAlien
ЛА
 Зарегистрирован: 05.03.2009
Сообщения: 1030 Благодарности: 12
|
Добавлено: Сб Май 28, 2011 00:33 Заголовок сообщения: |
|
|
может, кому-то будет интересно: вроде, в тему одной из наработок
Устройство слежения за движущимся источником света
http://habrahabr.ru/blogs/DIY/120086/
_________________ Профи-диванщик с опытом, есть диплом А4 в рамке.
|
|
Вернуться к началу |
|
 |
Deimos
Site Admin
 Зарегистрирован: 10.07.2007
Сообщения: 6198 Благодарности: 79
|
Добавлено: Сб Май 28, 2011 08:19 Заголовок сообщения: |
|
|
Собственно, а зачем нейронка?
Даже если она действительно полезна, у нас на борту всего 8 килобайт SRAM, это всего ~1000 перцептронов, даже если память больше ни под что не расходуется.
Для ориентации даже 6 фоторезисторами легко можно задать 12 положений, и это куда более простыми средствами.
_________________ Алексей
Профи-диванщик с опытом, есть диплом А4 в рамке.
|
|
Вернуться к началу |
|
 |
Pova
Модератор
Зарегистрирован: 10.07.2007
Сообщения: 1798 Благодарности: 15
|
Добавлено: Вс Май 29, 2011 03:07 Заголовок сообщения: |
|
|
Ну что, пора двигаться дальше...
На сегодняшний момент работа с практически всеми датчиками освоена. Есть некоторые шероховатости с акселерометром, но Deimos полон оптимизма, говорит, что за пару дней доведёт до ума.
Для дальнейшей работы требуется изготовление сэндвич-плат, расположенных над материнкой ардуино. Ибо на данный момент наладить совместную работу всех узлов невозможно: вместо " и и " имеем " или или ": на макетках не разгонишься. Да и к конструктиву вменяемому пора переходить, а это без компактизации электроники невозможно...
Вит, осилишь?
Для начала можно развести попроще, навернуть слоя 2 пирога, спрятать туда как можно больше, сверху разместить удобные разъёмы для подключения переферии. Но без фанатизма, чтобы лазерным утюгом можно было сделать...
_________________ Владимир
[img:f45f24a24c]http://baf.belastro.net/static/going_baf.jpg[/img:f45f24a24c]
[img:b2f591ea1d]http://baf.belastro.net/static/going_baf.jpg[/img:b2f591ea1d]
|
|
Вернуться к началу |
|
 |
Lupus
RadioAdmin
 Зарегистрирован: 10.07.2007
Сообщения: 4337 Благодарности: 100
Откуда: Minsk, Belarus
|
Добавлено: Вс Май 29, 2011 03:29 Заголовок сообщения: |
|
|
Учитывая то, что у нас есть только один запасной комплект микрух, то придётся сразу делать лётный вариант. Каков будет форм-фактор -- это надо подумать. Изначально я планировал делать базовую плату, которая будет одеваться на Arduino сверху и которая будет содержать всю электронику. У меня есть опыт получения двухсторонних плат методом ЛУТ, но пока я не знаю, хватит ли под всё место на одной плате, или придётся делать ещё одну надставку над базовой платой.
Вопросы: какие ограничения по габаритам платы, магнитный компас будет на удалении от платы?
_________________
_________________________________________________
"Вит, cкоро Геминиды!" (с) Pova
"Познавший себя -- собственный палач." (с) Ф. Ницше
"Просто я живу на улице Ленина
И меня зарубает время от вре-ме-ни..." (с) Ф. Чистяков
|
|
Вернуться к началу |
|
 |
Deimos
Site Admin
 Зарегистрирован: 10.07.2007
Сообщения: 6198 Благодарности: 79
|
Добавлено: Вс Май 29, 2011 08:46 Заголовок сообщения: |
|
|
Ограничения по габаритам, судя по всему, диктуются размерами самой платы Arduino, хотя допускается некоторый выход за пределы этого прямоугольника. С трёх сторон она будет стыковаться с ардуиной штырьками, с четвёртой тоже придётся сделать несколько разъёмов: силовое питание, переходные связи между ардуиной и нашей платой по цепям питания. Также надо будет делать интерфейсные разъёмы для SPI и I2C, ADC и т.п.
_________________ Алексей
Профи-диванщик с опытом, есть диплом А4 в рамке.
|
|
Вернуться к началу |
|
 |
Deimos
Site Admin
 Зарегистрирован: 10.07.2007
Сообщения: 6198 Благодарности: 79
|
Добавлено: Вс Май 29, 2011 08:47 Заголовок сообщения: |
|
|
Сегодня займусь нелинейным усилением показаний датчика давления.
И ещё: мне очень не хватает количества соединительных проводов для макетирования. Вит, не мог бы ты подготовить десятка два проводов длиной сантиметров 15-20 со штырьками, и если есть возможность, нескольких цветов?
_________________ Алексей
Профи-диванщик с опытом, есть диплом А4 в рамке.
|
|
Вернуться к началу |
|
 |
Deimos
Site Admin
 Зарегистрирован: 10.07.2007
Сообщения: 6198 Благодарности: 79
|
Добавлено: Вт Май 31, 2011 22:50 Заголовок сообщения: |
|
|
В аттаче - предварительная распиновка. Те пины, которые выделены жирным в графе пользовательского назначения двигать нельзя.
Описание: |
|
 Скачать |
Имя файла: |
Arduino-pins-cp.xls |
Размер файла: |
23.5 KB |
Скачано: |
206 раз(а) |
_________________ Алексей
Профи-диванщик с опытом, есть диплом А4 в рамке.
|
|
Вернуться к началу |
|
 |
Kostyan
ЛА
 Зарегистрирован: 10.07.2007
Сообщения: 1183 Благодарности: 32
|
Добавлено: Чт Июн 02, 2011 14:18 Заголовок сообщения: |
|
|
конкурентов штормит
http://habrahabr.ru/company/4glaza/blog/120207/
_________________ Какая была бы тишина, если бы люди говорили только то, что знают @ К.Чапек
Оборудование: Barska Cosmos 15x60, багажник 400 литров.
|
|
Вернуться к началу |
|
 |
Deimos
Site Admin
 Зарегистрирован: 10.07.2007
Сообщения: 6198 Благодарности: 79
|
Добавлено: Чт Июн 02, 2011 14:36 Заголовок сообщения: |
|
|
Да-да, слышал я на Астрофесте про этот проект. Это какая-то компания попиариться решила.
_________________ Алексей
Профи-диванщик с опытом, есть диплом А4 в рамке.
|
|
Вернуться к началу |
|
 |
Andrey Prokopovich
ЛА
 Зарегистрирован: 29.11.2007
Сообщения: 3435 Благодарности: 210
|
Добавлено: Пт Июн 03, 2011 08:49 Заголовок сообщения: |
|
|
Цитата: | Победитель гонки, доставивший зонд в целости и сохранности, получает телескоп с автонаведением. |
А организаторы достаточно ленивые, зонд сами искать не хотят.
p.s. Да, деньги портят людей.
_________________ ©Но что-то, кажется, идет не так...
|
|
Вернуться к началу |
|
 |
|