Предыдущая тема :: Следующая тема |
Автор |
Сообщение |
Sergey B
ЛА
 Зарегистрирован: 24.02.2011
Сообщения: 24 Благодарности: 0
|
Добавлено: Пт Июн 10, 2011 11:10 Заголовок сообщения: |
|
|
Andrey Prokopovich Вы немного заблуждаетесь, устраивая своеобразный «квест» с очень не плохим призом по поиску и доставкой полезной нагрузки организаторы данного действия привлекают большее число участников запуска, пропагандируя это интересное занятие.
Не из за лени или присутствия «лишних» денег это.
|
|
Вернуться к началу |
|
 |
Andrey Prokopovich
ЛА
 Зарегистрирован: 29.11.2007
Сообщения: 3435 Благодарности: 210
|
Добавлено: Пт Июн 10, 2011 12:39 Заголовок сообщения: |
|
|
Надеюсь Вы правы.
_________________ ©Но что-то, кажется, идет не так...
|
|
Вернуться к началу |
|
 |
Deimos
Site Admin
 Зарегистрирован: 10.07.2007
Сообщения: 6198 Благодарности: 79
|
Добавлено: Пн Июн 20, 2011 23:22 Заголовок сообщения: |
|
|
Сегодня "завёл" часы реального времени и акселерометр. С акселерометром ещё надо будет повозиться - не нравится мне, как он откалиброван...
_________________ Алексей
Профи-диванщик с опытом, есть диплом А4 в рамке.
|
|
Вернуться к началу |
|
 |
Andrey Prokopovich
ЛА
 Зарегистрирован: 29.11.2007
Сообщения: 3435 Благодарности: 210
|
Добавлено: Вт Июн 21, 2011 10:58 Заголовок сообщения: |
|
|
В собранном девайсе надо перекалибровывать. Ровно его все равно не выставить.
_________________ ©Но что-то, кажется, идет не так...
|
|
Вернуться к началу |
|
 |
Lupus
RadioAdmin
 Зарегистрирован: 10.07.2007
Сообщения: 4337 Благодарности: 100
Откуда: Minsk, Belarus
|
Добавлено: Ср Июн 22, 2011 00:56 Заголовок сообщения: |
|
|
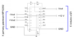
Тестовая схема для датчика давления готова.
Получилось не очень аккуратно, но лениво было переделывать. Размер платы 20х30 мм.
Вчера починил зарядное для Li-аккумуляторов от нашего GPS-трекера, который сломался ещё до запуска, если память мне не изменяет. Сегодня Вова проводил тестовую зарядку аккума -- думаю, что пройдёт успешно.
Описание: |
|
Размер файла: |
11.02 KB |
Просмотрено: |
8145 раз(а) |
Лёшина (Deimos) схема. »»»
|
Описание: |
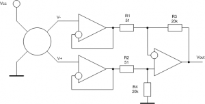
Схема на основе TL064CDR (4 ОУ). |
|
Размер файла: |
42.57 KB |
Просмотрено: |
8145 раз(а) |
Схема на основе TL064CDR (4 ОУ). »»»
|
Описание: |
Вид на плату сверху, со стороны подсоединения датчика давления. |
|
Размер файла: |
28.91 KB |
Просмотрено: |
8144 раз(а) |
Вид на плату сверху, со стороны подсоединения датчика давления. »»»
|
Описание: |
Вид со стороны компонентов. |
|
Размер файла: |
26.67 KB |
Просмотрено: |
8144 раз(а) |
Вид со стороны компонентов. »»»
|
_________________
_________________________________________________
"Вит, cкоро Геминиды!" (с) Pova
"Познавший себя -- собственный палач." (с) Ф. Ницше
"Просто я живу на улице Ленина
И меня зарубает время от вре-ме-ни..." (с) Ф. Чистяков
|
|
Вернуться к началу |
|
 |
Andrey Prokopovich
ЛА
 Зарегистрирован: 29.11.2007
Сообщения: 3435 Благодарности: 210
|
Добавлено: Ср Июн 22, 2011 10:09 Заголовок сообщения: |
|
|
Красный провод похож на механизм экстренного отключения устройства
_________________ ©Но что-то, кажется, идет не так...
|
|
Вернуться к началу |
|
 |
Deimos
Site Admin
 Зарегистрирован: 10.07.2007
Сообщения: 6198 Благодарности: 79
|
Добавлено: Ср Июн 22, 2011 10:44 Заголовок сообщения: |
|
|
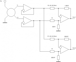
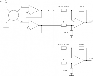
Блин, Вит, я же просил сделать после повторителей 2 усилителя с разными коэффициентами усиления с отличием раз в 8. Тут только один c усилением около 400 раз. А второй куда делся? Где нижнее плечо и нижний выход, который я тебе рисовал? Я ж тебе 2 недели назад высылал, и мы с тобой по телефону проговаривали эту схему.
Описание: |
|
Размер файла: |
21.07 KB |
Просмотрено: |
8113 раз(а) |
|
_________________ Алексей
Профи-диванщик с опытом, есть диплом А4 в рамке.
Последний раз редактировалось: Deimos (Ср Июн 22, 2011 10:50), всего редактировалось 1 раз
|
|
Вернуться к началу |
|
 |
Sergey B
ЛА
 Зарегистрирован: 24.02.2011
Сообщения: 24 Благодарности: 0
|
Добавлено: Ср Июн 22, 2011 10:49 Заголовок сообщения: |
|
|
Идея оригинальная, фотографии лунного затмения, фотографии вообще ночью, с высоты.
http://bigpicture.ru/?p=166603
|
|
Вернуться к началу |
|
 |
Lupus
RadioAdmin
 Зарегистрирован: 10.07.2007
Сообщения: 4337 Благодарности: 100
Откуда: Minsk, Belarus
|
Добавлено: Ср Июн 22, 2011 15:46 Заголовок сообщения: |
|
|
Andrey Prokopovich писал(а): | Красный провод похож на механизм экстренного отключения устройства  |
Ну, учитывая, что это провод питания -- да.
Лёша, сделаю и другую схему. Ты только номиналы резисторов напиши какие тебе нужно -- я найду почти любые (из стандартной линейки).
_________________
_________________________________________________
"Вит, cкоро Геминиды!" (с) Pova
"Познавший себя -- собственный палач." (с) Ф. Ницше
"Просто я живу на улице Ленина
И меня зарубает время от вре-ме-ни..." (с) Ф. Чистяков
|
|
Вернуться к началу |
|
 |
Deimos
Site Admin
 Зарегистрирован: 10.07.2007
Сообщения: 6198 Благодарности: 79
|
Добавлено: Ср Июн 22, 2011 16:18 Заголовок сообщения: |
|
|
Сверху пусть будет 51 и 15к, снизу что-то близкое к 40 и 100к
_________________ Алексей
Профи-диванщик с опытом, есть диплом А4 в рамке.
|
|
Вернуться к началу |
|
 |
Deimos
Site Admin
 Зарегистрирован: 10.07.2007
Сообщения: 6198 Благодарности: 79
|
Добавлено: Вс Июн 26, 2011 20:26 Заголовок сообщения: |
|
|
Сегодня была выполнена следующая работа: в мануале по акселерометру сказано, что во время оцифровки он очень боится обменов по линиям данных SPI. Поскольку устройств SPI у нас минимум три на сегодняшний день, было решено попробовать сымитировать обмен по SPI в соответствии с протоколом программными средствами, в соответствии с циклограммами работы этого устройства.
Что и было успешно сделано.
_________________ Алексей
Профи-диванщик с опытом, есть диплом А4 в рамке.
|
|
Вернуться к началу |
|
 |
Deimos
Site Admin
 Зарегистрирован: 10.07.2007
Сообщения: 6198 Благодарности: 79
|
Добавлено: Пн Июн 27, 2011 21:53 Заголовок сообщения: |
|
|
Сегодня была отработана техника калибровки акселерометра.
Теперь для полной калибровки достаточно покрутить его в руках без резких движений несколько минут, зашив в контроллер нужную прошивку, и скормить данные проге для обработки данных.
Тесты дали следующий результат: по примерно 550 измерений были оценены калибровочные коэффициенты и зашиты в основную прошивку, после чего была повторена процедура калибровки, при 350 измерений. Остаточные поправки, которые должны быть внесены в калибровочные коэффициенты, составили менее 1%.
_________________ Алексей
Профи-диванщик с опытом, есть диплом А4 в рамке.
|
|
Вернуться к началу |
|
 |
SkyFox
Admin
 Зарегистрирован: 11.07.2007
Сообщения: 942 Благодарности: 9
|
|
Вернуться к началу |
|
 |
Deimos
Site Admin
 Зарегистрирован: 10.07.2007
Сообщения: 6198 Благодарности: 79
|
Добавлено: Вт Июн 28, 2011 21:46 Заголовок сообщения: |
|
|
Ну наконец-то
_________________ Алексей
Профи-диванщик с опытом, есть диплом А4 в рамке.
|
|
Вернуться к началу |
|
 |
Lupus
RadioAdmin
 Зарегистрирован: 10.07.2007
Сообщения: 4337 Благодарности: 100
Откуда: Minsk, Belarus
|
|
Вернуться к началу |
|
 |
Deimos
Site Admin
 Зарегистрирован: 10.07.2007
Сообщения: 6198 Благодарности: 79
|
Добавлено: Сб Июл 02, 2011 22:27 Заголовок сообщения: |
|
|
Датчик давления готов к проведению испытаний в барокамере.
_________________ Алексей
Профи-диванщик с опытом, есть диплом А4 в рамке.
|
|
Вернуться к началу |
|
 |
Pova
Модератор
Зарегистрирован: 10.07.2007
Сообщения: 1798 Благодарности: 15
|
|
Вернуться к началу |
|
 |
Deimos
Site Admin
 Зарегистрирован: 10.07.2007
Сообщения: 6198 Благодарности: 79
|
Добавлено: Чт Июл 07, 2011 22:18 Заголовок сообщения: |
|
|
Сегодня с Максом aka biz_0n отработали взаимодействие между фотоаппаратом и микроконтроллером. Линия связи контроллер-фотик - подача питания по USB, обратная линия - светодиод на фотоаппарате.
Работали по такой циклограмме:
1. фотик выставляет сигнал готовности
2. контроллер "слушает" линию и проверяет установку сигнала на длительный промежуток времени, достаточный для того, чтобы не спутать сигнал с шумом.
3. после опознавания контроллер подаёт команду фотику команду путём выставления на линии питания USB сигнала заданной длительности (команда == длительность), при этом фотик уверенно различает команды при шаге интервалов в 50 мс (шаг диспетчиризации задач на контроллере)
4. Фотоаппарат ловит эту команду и сбрасывает сигнал готовности, переходя к отработке команды.
Если в течение заданного таймаута команда не была подана, фотоаппарат сбрасывает сигнал готовности и переходит на внутренний цикл съёмки, по окончании которого переходит в состояние 1.
Второй (фронтальный) светодиод можно задействовать под сигнализацию нештатных ситуаций, к примеру. Максим умеет моргать обоими.
Завтра - барокамера.
_________________ Алексей
Профи-диванщик с опытом, есть диплом А4 в рамке.
|
|
Вернуться к началу |
|
 |
biz_0n
Модератор
 Зарегистрирован: 01.04.2008
Сообщения: 403 Благодарности: 2
Откуда: Беларусь
|
Добавлено: Чт Июл 07, 2011 23:01 Заголовок сообщения: |
|
|
вот так это выглядело
Описание: |
|
Размер файла: |
423.48 KB |
Просмотрено: |
7714 раз(а) |
|
_________________ <=-=-=-=-=-=-=-=-=-=-=-=-=-=-=-=-=-=-=-=-=-=-=-=-=-=-=-=-=>
Пятнадцать человек на сундук мертвеца,
Йо-хо-хо, и бутылка рому!
<=-=-=-=-=-=-=-=-=-=-=-=-=-=-=-=-=-=-=-=-=-=-=-=-=-=-=-=-=>
|
|
Вернуться к началу |
|
 |
Kostyan
ЛА
 Зарегистрирован: 10.07.2007
Сообщения: 1183 Благодарности: 32
|
Добавлено: Пн Июл 25, 2011 16:13 Заголовок сообщения: |
|
|
конкуренты
http://habrahabr.ru/company/4glaza/blog/124617/
_________________ Какая была бы тишина, если бы люди говорили только то, что знают @ К.Чапек
Оборудование: Barska Cosmos 15x60, багажник 400 литров.
|
|
Вернуться к началу |
|
 |
|